+390173211274
+390173211274
normec@normec.it
Où nous sommes
Home Page
Qui nous sommes
Produits
Certifications
Événements
Où nous sommes
Normec S.R.L.
Produits
Aluminium
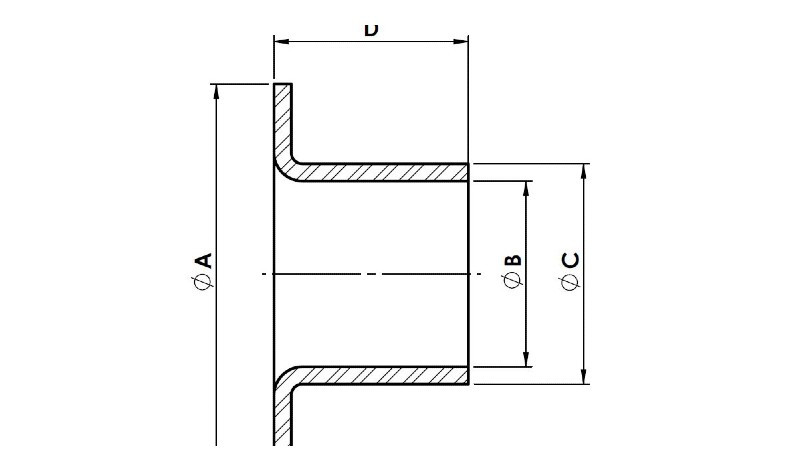
Sections De Tuyaux ÉVasÉS Pour Tuyauterie Rigide
Sections De Tuyaux ÉVasÉS Pour Tuyauterie Rigide
Demandez des informations sur ce produit
Attestations